
主要功能:
DT4020两相步进电机驱动器是基于PID电流控制算法设计的高性价比细分型驱动器,具有优越的性能表现,高速大力矩输出,低噪音,低振动,低发热,特别适合OEM客户的大批量应用场合。DT4020驱动器可通过拨码开关选择运行电流和细分,有16种细分,8种电流供选择,具有过压,欠压,相电流过流保护,其输入输出控制信号均采用光电隔离。
输入电压:12-48VDC
输出相电流:2.2A
3个数字信号输入口:脉冲/方向/使能信号, 5-24VDC, 光电隔离
16档细分, 拨码开关选择
8档电流, 拨码开关选择
旋钮开关选择电机参数以配合DSP算法, 使电机性能最优化
自动减流功能:50%或90%, 拨码开关选择
1个数字输出口:报错信号输出
自检功能
保护:过压,欠压,过温,过流,电机绕组开路
连接 输入&输出:

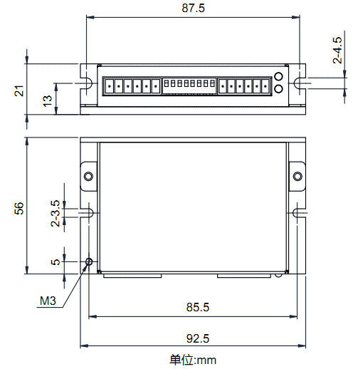
机械尺寸:



电话:0755-25796858
传真:0755-25796696
邮箱:sales@dt-me.com
地址:广东省深圳市南山区西丽街道麻磡社区麻磡路18号工业区8栋5楼
华中办事处:童仁青 18975332020
地址:湖南省长沙县星沙大道39号财富港湾1栋2单元1613号
华东办事处:朱兴科 18128820282
地址:江苏省苏州市昆山市昆山开发区四季华城32栋2单元1503
![]() | ![]() | |
| 微信扫一扫 | 手机扫一扫 |
13332976238
13088821218
18975332020
18615652751
18128820282
外贸客服
18926576949