产品中心
专用产品

首页->产品中心->两相交流高速步进电机系列

两相交流高速步进电机系列

高速电机60系列

产品详情

blob.png

动态力矩曲线图:
blob.png

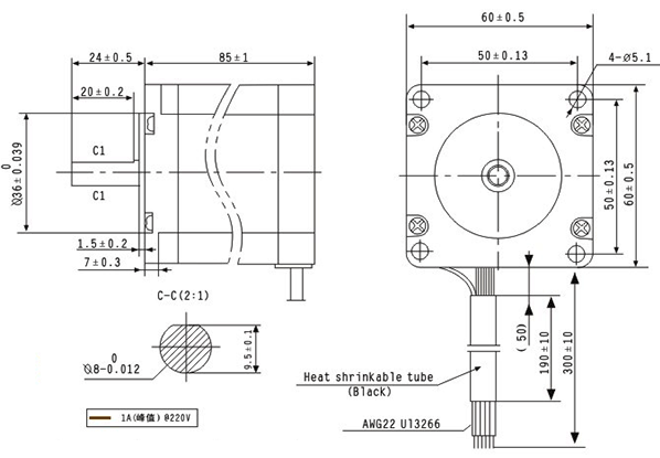
机械尺寸图:

blob.png

上一个:


2006-2024 深圳市鼎拓达机电有限公司版权所有 粤ICP备05142847号 技术支持:神州通达网络

深圳总公司:

电话:0755-25796858 

传真:0755-25796696 

邮箱:sales@dt-me.com 

地址:广东省深圳市南山区西丽街道麻磡社区麻磡路18号工业区8栋5楼




华中办事处:童仁青  18975332020 

地址:湖南省长沙县星沙大道39号财富港湾1栋2单元1613号

华东办事处:朱兴科 18128820282  

地址:江苏省苏州市昆山市昆山开发区四季华城32栋2单元1503

 
微信扫一扫   手机扫一扫
在线客服